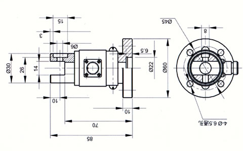
|
主 要 技 术 指 标(main Description) |
|||||
|
测量范围 Capacity |
0~0.5,1,2,5,10,20,50,100 |
N.m |
|||
|
输出灵敏度Sensitivity |
1.0~2.0 |
mV/V |
|||
|
直线度Leaner |
±0.1 |
±0.3 |
±0.5 |
%F.S |
|
|
滞后Hysterisis |
±0.1 |
±0.3 |
±0.5 |
%F.S |
|
|
重复性Repeatability |
±0.1 |
±0.3 |
±0.5 |
%F.S |
|
|
工作温度Operate Temp. |
-10~+60 |
℃ |
|||
|
温度补偿范围Temp. Compensation Scoope |
Room temperature室温~+60 |
℃ |
|||
|
零点温度影响TCO |
±0.1 |
%F.S/10 ℃ |
|||
|
供桥电压Excitation Voltage |
12~18 |
VDC |
|||
|
绝缘电阻Insulation Resistence |
≧2000 |
MΩ/100VDC |
|||
|
输入电阻Input Resistence |
700±10/350±10 |
Ω |
|||
|
输出电阻Output Resistence |
700±5/350±5 |
Ω |
|||
|
零点输出Zero Balance |
0~±1 |
%F.S |
|||
|
安全过负荷率 Safe Overload |
120 |
%F.S |
|||
|
电缆连接方式Cable Connection |
信号输出Singal Output: 黄:Yellow (+) 黑:Black (-) |
||||
|
供桥电压Excitation Voltage: 红Red: (+) 绿Green: (-) |
|||||
在线订购